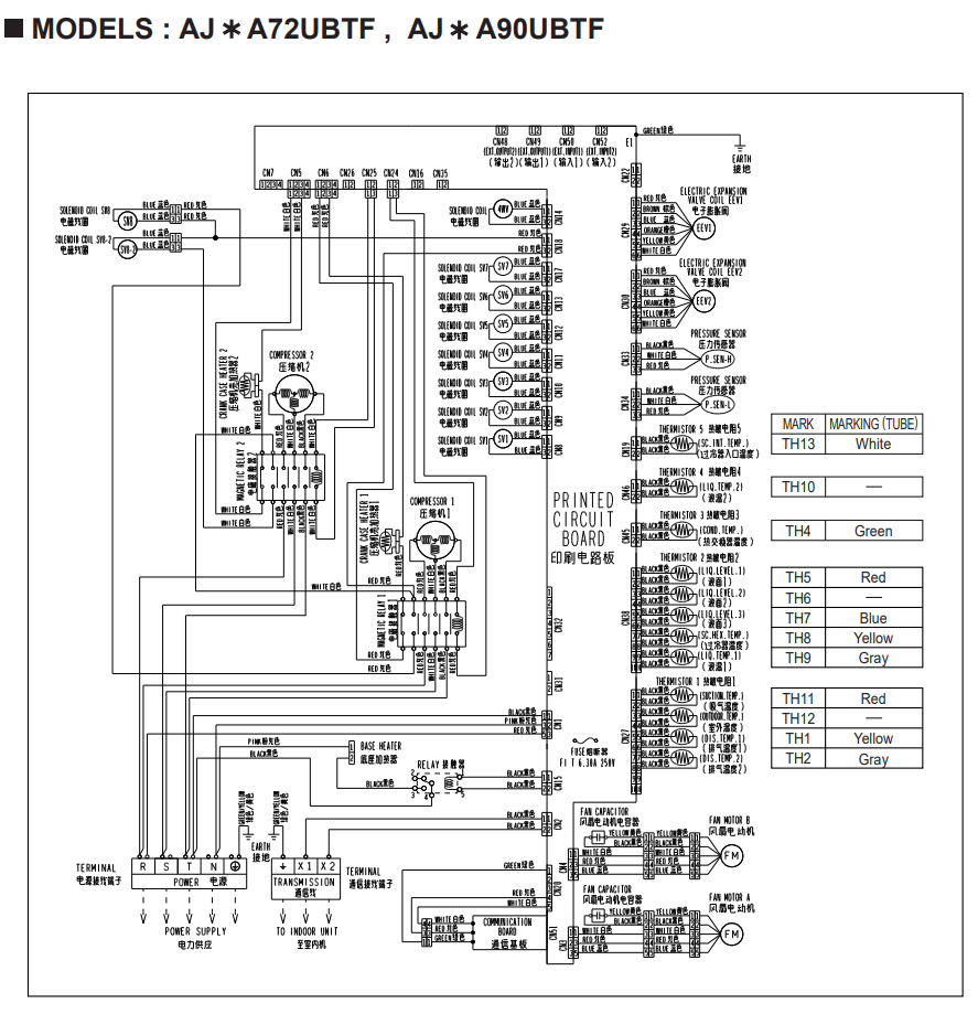
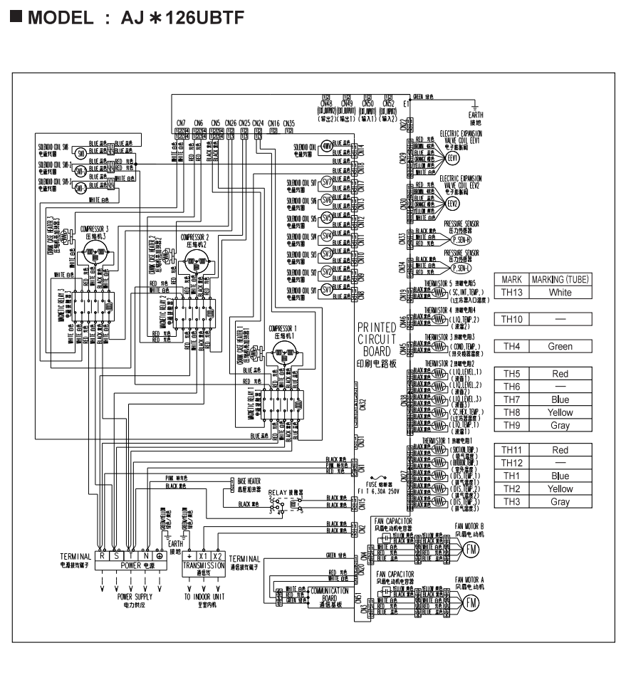
Introduction
This solution provides a detailed schematic wiring diagram designed to illustrate the electrical interconnections and functional relationships between key system components. The diagram serves as a visual reference to ensure accurate installation, troubleshooting, and maintenance of the system. By clearly identifying circuit pathways, terminal points, and control logic, it enables technicians and engineers to verify compliance with design specifications and operational standards.
The schematic is structured to support clarity and precision, reducing the risk of wiring errors and improving overall service efficiency. It forms an integral part of the technical documentation package accompanying the system, aligning with best practices for electrical safety, reliability, and quality assurance.



